BXSS-B06(TS5000)

Type: Thermosiphon System
Replacement: Burgmann TS5000
Temperature: -60 to 200℃
Pressure: ≤30Bar
Speed: 15m/s
Material: SS304, SS316

Features
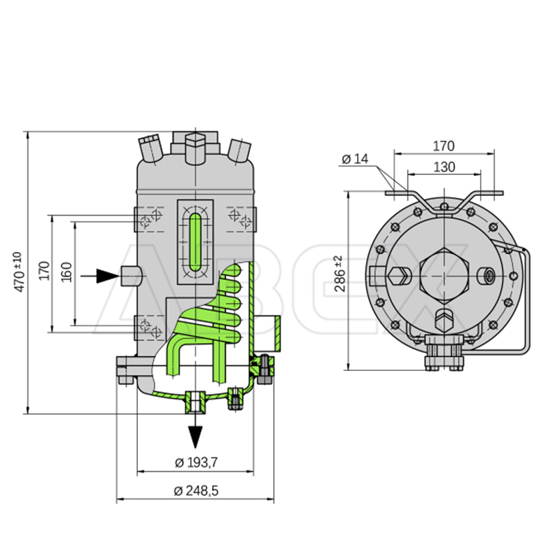
With the EagleBurgmann TS5000 thermosiphon system it is possible to supply buffer/barrier fluid to double and tandem mechanical seals for a broad range of applications. This range is designed as a flanged version with a sight glass for level monitoring and with cooling coil. TS vessels are equipped as standard with all the necessary system connections and brackets. The modular system allows the TS5000 vessels to be combined with a wide range of system components such as, level switch, circulation pump, hand refill pump, thermometer, base frame, etc. Circulation in accordance with API 682/ ISO 21 049: Plan 52, Plan 53A
Advantages
• Vessel can be dismantled: for optimum and simple cleaning of the vessel interior
• Suitable for a wide range of demanding operating conditions: TS5000 up to 30 bar/200 °C
• Sockets with recessed gasket: no contamination of the circuit by thread sealant
• Modular system: combination with a wide range of system components possible
• Vessel made of 1.4571 stainless steel/borosilicate sight-glasses: suitable for universal application

Functional description

The TS system performs all the basic functions of a buffer/barrier system for the operation of double seals:
• to pressurize the buffer/barrier chamber
• leakage compensation
• buffer/barrier fluid is circulated by thermosiphon effect or forced circulation system
• to cool the seal
• to selectively absorb product leakage and prevent dry running (tandem arrangement) Use compressed air or nitrogen for pressurization.

Standards and approvals

• PED 97/23 EC (Design and production in accordance with EU Pressure Equipment Directive)

Recommended applications

  • Chemical industry
    • Petrochemical industry
    • Oil and gas industry
    • Refining technology

 

 

Rquest a Quote

Fill out the form below and our Sales team will happy to answer your queries with in 24 hours.