Features
- Cartridge
- Balanced
- Independent of direction of rotation
- Stationary multiple springs
- Springs and pin located on the atmospheric side
Advantages
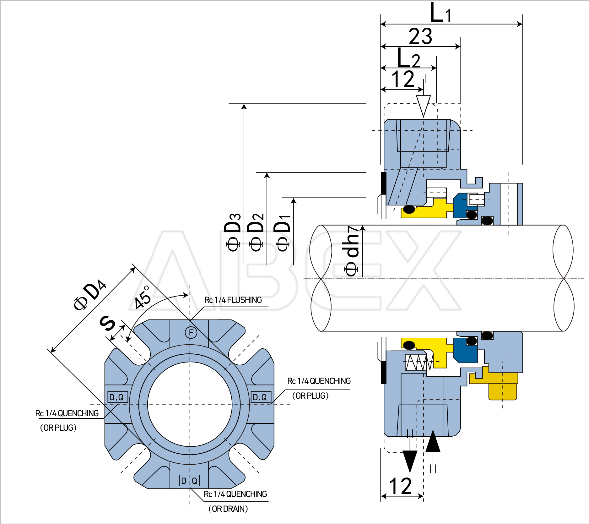
- Extremely short length design –
the total length including the seal cover is less than 50 mm - Easy installing on the pumps without modifying the stuffing box
- Excellent followability due to no influence from run-out, squareness or vibration of the shaft
- Mounted outside the stuffing box for providing excellent air cooling performance
- Un-wetted springs and knock pins for protecting from lockout by liquid
Operating range
MA290:
Pressure: p = … 20 bar (290 PSI)
Temperature:
t = -20 °C …160 °C (-4 °F … 320 °F) (oil),
0 °C … 60 °C (32 °F … 140 °F) (water)
Sliding velocity:
vg = max. 20 m/s (66 ft/s)
Viscosity: 0.5 Pa·s
Solids content: 0.3 %
MA291:
Pressure: p = … 16 bar (232 PSI)
Temperature:
t = -20 °C …160 °C (-4 °F … 320 °F) (oil),
0 °C … 60 °C (32 °F … 140 °F) (water)
Sliding velocity: vg = max. 20 m/s (66 ft/s)
Viscosity: 3 Pa·s
Solids content: 10 %
Materials
Seal face (MA290): High density carbon graphite
Seal face (MA291): Silicon carbide (Q1)
Seat (MA290/291): Silicon carbide (Q1)
Metal parts: CrNiMo steel (G)
Secondary seals: FKM (V)
